






Water Flow Detector
•Material :Brass/stainless steel/ABS/PVC/PP
•Size :1/2"-1" BSPT
•Nominal Pressure :Turbine-type: 0.1-1.0 MPa; Electromagnetic-type: 0.05-1.6 MPa; Pressure switch-type: 0.1-2.0 MPa.
•Operating Temp:-20°C to +70°C
•OEM Service:Accepted
•Delivery Terms:FOB, CFR, CIF, EXW
•Payment Mode:T/T, L/C, PayPal, Western Union
Product category:
Product Details
————
Water Flow Detector
Flow indicators are an important component in a variety of systems and applications where monitoring water flow is critical. It is a device that provides a visual indication of the flow of water in a pipe or system. This is important to ensure water is flowing at the required rate and to detect any abnormalities or blockages in the water flow.
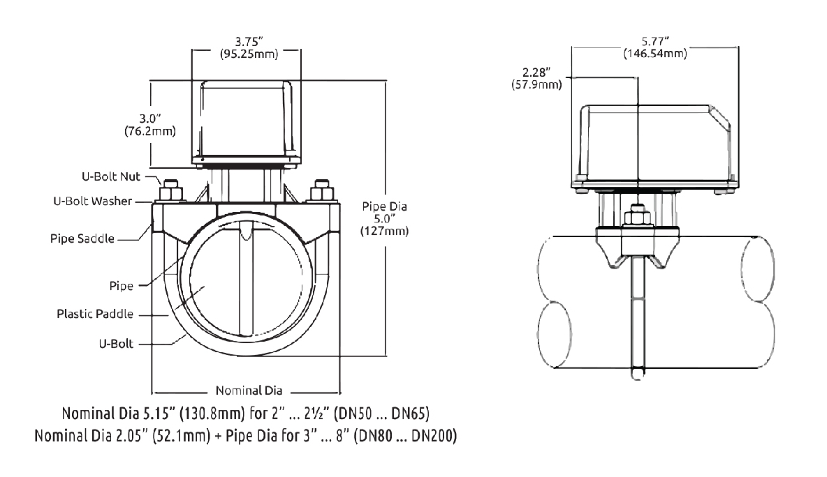
There are different types of water flow indicators including impeller, turbine and electromagnetic flowmeters.Paddlewheel flow indicators use a rotating paddle wheel to measure the flow of water, while turbine flow indicators use a rotating turbine to measure flow. Electromagnetic flowmeters, on the other hand, use electromagnetic sensors to measure the flow of conductive liquids such as water.
————
Features
The primary function of a water flow indicator is to provide real-time information about the flow of water in the system. This information is critical to maintaining the efficiency and security of your system. For example, in fire sprinkler systems, water flow indicators can alert building occupants and authorities of any problems with water flow, ensuring the system is ready to respond in the event of a fire. In addition to providing real-time flow information, water flow indicators can be used to monitor water usage and detect leaks. By continuously monitoring water flow, these devices can help identify any unusual patterns or sudden changes in flow, which could indicate a leak or malfunction in the system. This helps prevent water waste and system damage.
————
Application
Water flow indicators are commonly used in industrial, commercial and residential settings. In industrial applications, they are used in water treatment plants, manufacturing facilities, and power plants to monitor water flow in cooling systems, boilers, and other processes. In commercial buildings, water flow indicators are often installed in fire sprinkler systems to ensure adequate water flow in the event of a fire. In residential settings, they can be found in plumbing systems to monitor water usage and detect leaks.
————
Product Parameter
Material : | Brass/stainless steel/ABS/PVC/PP |
Size : | 1/2"-1" BSPT |
Nominal Pressure : | Turbine-type: 0.1-1.0 MPa; Electromagnetic-type: 0.05-1.6 MPa; Pressure switch-type: 0.1-2.0 MPa. |
Channel Design : | Full Port Straight Through Type |
Working Media : | water |
Operating Temp : | -20°C to +70°C |
————
FAQ
Q: Can you accept sample order?
A: Yes, we accept samples with little and reasonablecharge.But need customer pay sample fees and transportfees firest.
Q: What is your payment terms?
A: Payment supports T/T, L/C, etc.
Q: How can l get my order?
A: We will send you the goods by UPS,DHL,Fedex,OverseaShipment or other forwarder, all with tracking number.
Q: Why choose us?
A; With over 10 years of experience in the fire protectionindustry, our company has professional technical personne!and many well-known partners in the domestic market. Weoffer favorable prices and guarantee quality, having passedmultiple certifications!
——
We serve customers for over 10 years — so we’ve got the knowledge and industry experience to help you get it right.Professional technical support, intimate service experience We have a professional technical support team, at any time to provide you with product consultation, installation guidance and after-sales service.
Let the professionals at Sheng Feng Fire help you select the products that meet your exact needs.
Welcome to inqury us!
Inquiry Now
If you have any suggestions or feedback on our company, please fill in the relevant information on this page and submit it. A staff member will contact you in a timely manner, or please call us directly.