2 Way Breeching Inlet Fire Hydrant
• Name:2 Way Breeching Inlet Fire Hydrant
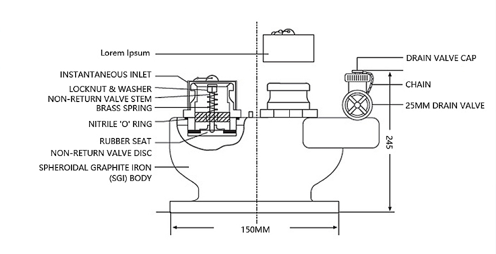
• Body:Ductile iron or gray iron
• Sealing parts:Nitrile rubber or EPDM rubber
• Valve core/seat:Brass / Stainless steel
• Handwheel:Cast iron or engineering plastic
• Threads/interfaces:Copper alloy or stainless steel coating
• Working pressure (PN):0.8~1.6MPa (12~23psi)
Product category:
Enterprise Atlas:
Product Details

———
Product Formation
* 2-way breeching inlet is a type of fire hydrant connection commonly used in firefighting systems. It is designed to allow fire departments to connect their hoses to a building's fire protection system.
* An Inlet breeching valve is installed at ground level to provide a connection to the water supply. The system is usually dry and charged by the fire brigade in an emergency. 2 way inlet breeching valves can be installed in the vertical or horizontal position.
* Breeching Inlets are installed outside the building or any easily accessible area in the building for firefighting purposes by fire brigade personnel to access the inlet. Breeching Inlets are fitted with inlet connection at fire brigade access level and outlet connection at specified points. It is normally dry but capable of being charged with water by pumping from fire service appliances.

Other Classifed Products:
Fire Hose Categories, Fire Sprinkler System, Fire Protection Valve , Fire Hose Reel&Cabinet , Fire Foam Equipment,Fire Nozzle and Fire Monitor , Fire Hydrant , UL/FM Fire Fighting Equipment , Brass Valve Categories , Fire Extinguisher Series .
———
Product Features
1.Dual-Outlet Diversion: 1-inlet & 2-outlet design, enabling simultaneous water supply to two fire hoses, improving multi-point fire suppression efficiency.
2. Quick Connection: Fits standard fire hydrant interfaces (e.g., Storz, BS), supporting tool-free fast coupling for emergency response.
3. Durable Construction: Body made of ductile iron/brass with anti-rust coating, resistant to outdoor moisture and corrosion, ensuring long service life.
4. Stable Pressure Retention: Built-in non-return valve prevents backflow, maintaining stable water pressure and avoiding upstream equipment damage.
———
Product Parameter
| Item | Details |
| Body | Ductile iron or gray iron |
| Sealing parts | Nitrile rubber or EPDM rubber |
| Valve core/seat | Brass / Stainless steel |
| Handwheel | Cast iron or engineering plastic |
| Threads/interfaces | Copper alloy or stainless steel coating |
| Working pressure (PN) | 0.8~1.6MPa (12~23psi) |
| Hydrostatic test | 1.5 times working pressure |
| Burst pressure | ≥2.4 times working pressure |
| Flow capacity | Single outlet maximum flow rate ≥5~15L/s |
| Temperature resistance range | -10℃~+50℃ |
| Nominal diameter (DN) | Main body common interface is DN65 |
———
FAQ
Q: Can you accept sample order?
A: Yes, we accept samples with little and reasonable charge.But need customer pay sample fees and transport fees first.
Q: What is your payment terms?
A: Payment supports T/T, L/C, etc.
Q: How can l get my order?
A: We will send you the goods by UPS,DHL,FedEx,Oversea Shipment or other forwarder, all with tracking number.
Q: Why choose us?
A; With over 15 years of experience in the fire protection industry, our company has professional technical personnel and many well-known partners in the domestic market. We offer favorable prices and guarantee quality, having passed multiple certifications!
——
We serve customers for over 15 years — so we’ve got the knowledge and industry experience to help you get it right.Professional technical support, intimate service experience We have a professional technical support team, at any time to provide you with product consultation, installation guidance and after-sales service.
At Sheng Feng Fire, our professionals are dedicated to helping you select the most suitable products based on your specific needs.
Let the professionals at Sheng Feng Fire help you select the products that meet your exact needs.
Welcome to inquiry us!
Inquiry Now
If you have any suggestions or feedback on our company, please fill in the relevant information on this page and submit it. A staff member will contact you in a timely manner, or please call us directly.